EMAS.OPT

EMAS.OPT

Нет отзывов
EMAS.OPT отзывы EMAS.OPT программа
Подходит для
для оптимизации производственных процессов и работы предприятия в целом
Детали продукта
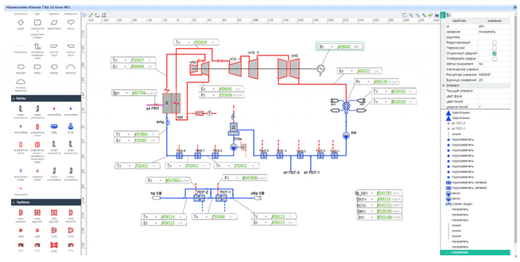
EMAS.OPT позволит создавать наглядные визуальные технико-экономические модели предприятий (Цифровые двойники), применяющиеся для различных расчетов. Цифровые двойники включают в себя технологическую схему производства с привязкой к договорам на поставку сырья и энергетических ресурсов, что позволяет описать весь производственный процесс.
Контакты
АО "НБИ"
Russian Federation
Выберите самые важные функции
Консультация по подбору IT-решений от наших специалистов
Бесплатная консультация
Заполните небольшой опрос и наши специалисты подберут для вас ПО
Подобрать ПО
Следующий шаг

Отзывы EMAS.OPT

Отзывов ещё нет — ваш может стать первым.
Оставить отзыв
Сравнить 0 продуктов категории Производство
Очистить
Сравнить